🔹 Kompatybilność ze szczękami polskimi – pełna zgodność wymiarowa
🔹 Wysoka dokładność – parametry serii gwarantują precyzję pracy.
🔹 Trwała ochrona przed korozją – zastosowany specjalistyczny smar najwyższej jakości wydłuża żywotność uchwytu.
🔹 Produkt fabrycznie nowy – kupując u nas masz pewność, że otrzymujesz nowy sprzęt, a nie wieloletnie, wyeksploatowane narzędzie.
🔹 Kompletny zestaw – w komplecie szczęki prawe, lewe oraz klucz.
🔹 Standard DIN 55027 – uchwyt tokarski z mocowaniem na STOŻEK C8
uchwyt tokarski 3-szczękowy 250 mm (samocentrujący, seria PS3-C8),
komplet szczęk prawych i lewych,
klucz do uchwytu.
zestaw ŚRUB ( 4 szt )
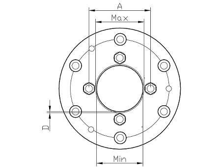
Dla ułatwienia przedstawiamy poniżej rysunek pomocniczy widoku od tyłu uchwytu,
który pozwala na dokładne i prawidłowe wykonanie pomiaru mocowania.

A - to średnica podziałowa śrub montażowych do wrzeciona tokarki - 171,4mm
Max - to wymiar stożka w maksymalnym miejscu - 139,731
Min - to wymiar stożka w minimalnym miejscu - 136,219
Poniżej prezentujemy rysunek techniczny przedstawiający wymiary mocowania:
⚠️ Uwaga: Do opracowania wymiarów wykorzystano rysunek tarczy zabierakowej.
Przedmiotem oferty jest uchwyt tokarski z bezpośrednim mocowaniem, a nie tarcza.
Chuck Dia – średnica uchwytu
Taper Size – typ zastosowanego stożka
No. Studs – liczba śrub montażowych
Hole Dia C – średnica stożka od strony maszyny w najwęższym miejscu
D – średnica między osiami śrub montażowych po przekątnej (od strony tokarki)
G – średnica stożka od strony maszyny w najszerszym miejscu
🔸 Wymiary A, B, B1 – nie mają znaczenia w tym przypadku, ponieważ pochodzą z przykładowego rysunku tarczy zabierakowej i nie odnoszą się do oferowanego uchwytu.
© Master Tools Wszelkie Prawa Zastrzeżone. All Rights Reserved. Oprogramowanie KQS.store